Электродвигатели Siemens типа 1LF7

Электродвигатели Siemens типа 1LF7 – однофазные асинхронные электродвигатели обеспечивают выполнение различных приводных задач используя стандартное питание сети 50 Гц 220В. Устройство электродвигателя базируется на ведущих технических разработках. Разработчики компании Siemens предлагают покупателям и заказчикам модель электродвигателя 1LF7, основными ее преимуществами, кроме высокой эффективности работы, выступают компактные размеры и универсальность. Компания уже не первый год является лидером рынка приводной техники, так как предлагает надежное оборудование и в максимально полной степени учитывает пожелания и требования заказчиков. Гарантом качества электродвигателей выступает контроль качества, который выполняется на каждом этапе их производства. Применение специальных систем контроля исключает риски поступления к потребителю некачественной продукции. Технологические особенности конструкции гарантируют безопасную работу системы на протяжении длительного промежутка времени.
Цена: от 3 520 руб.
Технические характеристики электродвигателей типа 1LF7
| P, кВт | Габарит | Тип | n, об/мин | КПД, % | cos φ | I, A | Mz/Mn | Iz/In | Mmax/Mn | Cb, мФ | Масса, кг |
|---|---|---|---|---|---|---|---|---|---|---|---|
| 0,09 | 56 | 1LF7050-2AB | 2870 | 63 | 0,98 | 0,63 | 0,83 | 4,2 | 2,1 | 3 | 3,5 |
| 0,12 | 56 | 1LF7053-2AB | 2820 | 62 | 0,98 | 0,86 | 0,76 | 3,3 | 1,6 | 4 | 3,51 |
| 0,18 | 63 | 1LF7060-2AB | 2895 | 62 | 0,94 | 1,34 | 0,51 | 2,5 | 4,3 | 5 | 4,17 |
| 0,25 | 63 | 1LF7063-2AB | 2850 | 68 | 0,99 | 1,6 | 0,49 | 1,9 | 4,3 | 8 | 4,97 |
| 0,37 | 71 | 1LF7070-2AB | 2895 | 65 | 0,87 | 2,85 | 0,5 | 2,7 | 4,2 | 12 | 5,5 |
| 0,55 | 71 | 1LF7073-2AB | 2860 | 65 | 0,89 | 4,15 | 0,42 | 2,1 | 4 | 16 | 7,24 |
| 0,75 | 80 | 1LF7080-2AB | 2905 | 74 | 0,97 | 4,5 | 0,32 | 2,36 | 5,6 | 16 | 8,8 |
| 1,1 | 80 | 1LF7083-2AB | 2910 | 78 | 0,98 | 6,25 | 0,35 | 2,53 | 6,1 | 25 | 10,5 |
| 1,5 | 90 | 1LF7090-2AB | 2900 | 74 | 0,97 | 9,1 | 0,42 | 3,13 | 6,2 | 40 | 13,4 |
| 2,2 | 90 | 1LF7096-2AB | 2810 | 72 | 0,98 | 13,6 | 0,37 | 1,75 | 4,5 | 50 | 16,1 |
| 3 | 100 | 1LF7106-2AB | 2840 | 77 | 0,97 | 17,5 | 0,41 | 2,5 | 5,1 | 60 | 23,1 |
| 0,06 | 56 | 1LF7050-4AB | 1420 | 55 | 0,89 | 0,53 | 0,44 | 2,75 | 1,71 | 2 | 3,5 |
| 0,09 | 56 | 1LF7053-4AB | 1405 | 53 | 0,96 | 0,77 | 0,54 | 2,2 | 1,58 | 4 | 3,5 |
| 0,12 | 63 | 1LF7060-4AB | 1415 | 58 | 0,9 | 1 | 0,38 | 1,57 | 2,6 | 4 | 4,14 |
| 0,18 | 63 | 1LF7063-4AB | 1385 | 58 | 0,86 | 1,57 | 0,54 | 1,66 | 2,55 | 5 | 4,89 |
| 0,25 | 71 | 1LF7070-4AB | 1400 | 59 | 0,99 | 1,86 | 0,54 | 1,58 | 2,3 | 10 | 5,28 |
| 0,37 | 71 | 1LF7073-4AB | 1400 | 64 | 0,95 | 2,6 | 0,52 | 1,6 | 2,5 | 14 | 7,53 |
| 0,55 | 80 | 1LF7080-4AB | 1415 | 69 | 0,98 | 3,5 | 0,5 | 1,7 | 3 | 14 | 8,8 |
| 0,75 | 80 | 1LF7083-4AB | 1405 | 71 | 0,96 | 4,8 | 0,4 | 1,64 | 3,1 | 20 | 10,1 |
| 1,1 | 90 | 1LF7090-4AB | 1420 | 74 | 0,98 | 6,6 | 0,37 | 1,78 | 3,1 | 30 | 12,7 |
| 1,5 | 90 | 1LF7096-4AB | 1430 | 77 | 0,97 | 8,7 | 0,35 | 1,8 | 3,7 | 40 | 15,9 |
| 2,2 | 100 | 1LF7106-4AB | 1395 | 73 | 0,98 | 13,4 | 0,43 | 1,92 | 3,6 | 60 | 25,7 |

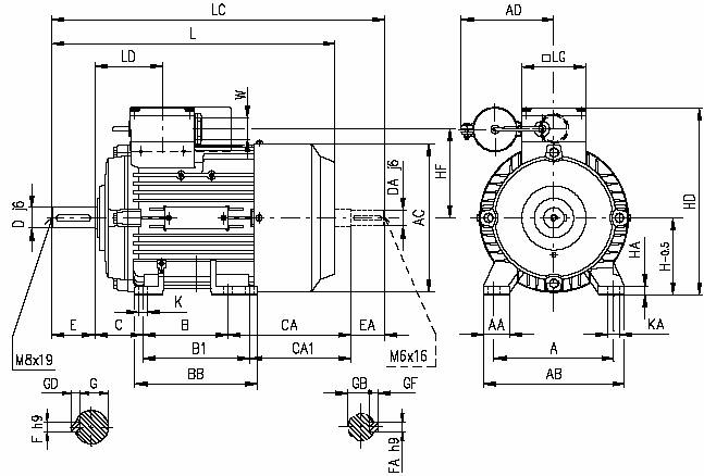
Рис. 1 Габаритные и присоединительные размеры (лапы)
Табл. 2 Габаритные и присоединительные размеры (лапы)
| тип | А | АА | АВ | АС | AD | B | B1 | BB | C | CA | CA1 | H | HA | HD | HF | K |
|---|---|---|---|---|---|---|---|---|---|---|---|---|---|---|---|---|
| 1LF705 | 90 | 25 | 110 | 116 | 94 | 71 | - | 87 | 36 | 53 | - | 56 | 6 | 157 | 77,5 | 5,8 |
| 1LF7060 1LF7063 | 100 | 27 | 120 | 118 | 94 | 80 | - | 96 | 40 | 66 | - | 63 | 7 | 164 | 77,5 | 7 |
| 92 | - | |||||||||||||||
| 1LF707 | 112 | 30,5 | 132 | 139 | 94,5 | 90 | - | 106 | 45 | 83 | - | 71 | 7 | 182 | 87,5 | 7 |
| 1LF708 1LF7083-4,6 | 125 | 30,5 | 150 | 156,5 | 103,5 | 100 | - | 118 | 50 | 94 | - | 80 | 8 | 200 | 96,5 | 9,5 |
| 137 | - | |||||||||||||||
| 1LF709 1LF7096-2 | 140 | 30,5 | 165 | 173,5 | 109 | 100 | 125 | 143 | 56 | 143 | 118 | 90 | 10 | 218 | 104,5 | 10 |
| 186 | 161 | |||||||||||||||
| 1LF710 | 160 | 42 | 196 | 196 | 138 | 140 | - | 176 | 63 | - | 100 | 12 | 263 | 123 | 12 | |
| тип | KA | L* | LC | LD | LG | W | D | DA | E | EA | F | FA | G | GB | GD | GF |
| 1LF705 | 9 | 169 | 200 | 69,5 | 75 | M25×1,5 | 9 | 9 | 20 | 20 | 3 | 3 | 7,2 | 7,2 | 3 | 3 |
| 1LF7060 1LF7063 | 10 | 202,5 | 232 | 69,5 | 75 | M25×1,5 | 11 | 11 | 23 | 23 | 4 | 4 | 8,5 | 8,5 | 4 | 4 |
| 228,5 | 258 | |||||||||||||||
| 1LF707 | 10 | 240 | 278 | 63,5 | 75 | M25×1,5 | 14 | 14 | 30 | 30 | 5 | 5 | 11 | 11 | 5 | 5 |
| 1LF708 1LF7083-4,6 | 13,5 | 273,5 | 324 | 63,5 | 75 | M25×1,5 | 19 | 19 | 40 | 40 | 6 | 6 | 15,5 | 15,5 | 6 | 6 |
| 316 | 366,5 | |||||||||||||||
| 1LF709 1LF7096-2 | 14 | 331 | 389 | 79 | 75 | M25×1,5 | 24 | 19 | 50 | 50 | 8 | 6 | 20 | 15,5 | 7 | 6 |
| 374 | 432 | |||||||||||||||
| 1LF710 | 16 | 425 | - | 102 | 120 | M32×1,5 | 28 | 28 | 60 | 60 | 8 | 8 | 24 | 24 | 7 | 7 |

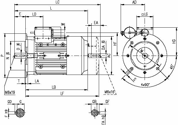
Рис. 2 Габаритные и присоединительные размеры (фланец IMB 5)
Табл. 3 Габаритные и присоединительные размеры (фланец IMB 5)
| Тип | Типо- размер | AC | AD | HF | HG | L* | LA | LB* | LC | LD | LF | LG | M | N |
|---|---|---|---|---|---|---|---|---|---|---|---|---|---|---|
| 1LF705. | FF100 | 116 | 94 | 77,5 | 101 | 169 | 8 | 149 | 200 | 69,5 | - | 75 | 100 | 80 |
| 1LF7060 1LF7063 | FF115 | 118 | 94 | 77,5 | 101 | 202,5 228,5 | 8 | 179,5 205,5 | 232 258 | 69,5 | 208,5 234,5 | 75 | 115 | 95 |
| 1LF707. | FF130 | 139 | 94,5 | 87,5 | 111 | 240 | 9,5 | 210 | 278 | 63,5 | 239 | 75 | 130 | 110 |
| 1LF708. 1LF7083-4,6 | FF165 | 156,5 | 103,5 | 96,5 | 120 | 273,5 316 | 10 | 233,5 276 | 324 366,5 | 63,5 | 262,5 305 | 75 | 165 | 130 |
| 1LF709. 1LF7096-2 | FF130 | 173,5 | 109 | 104,5 | 128 | 331 374 | 10 | 281 324 | 389 432 | 79 | 333 376 | 75 | 165 | 130 |
| 1LF710. | FF215 | 196 | 138 | 123 | 163 | 425 | 11 | 365 | - | 102 | 416 | 120 | 215 | 180 |
| Тип | P | S | T | W | D | DA | E | EA | F | FA | G | GB | GD | GF |
| 1LF705. | 120 | 7 | 3 | M 25х1,5 | 9 | 9 | 20 | 20 | 3 | 3 | 7,2 | 7,2 | 3 | 3 |
| 1LF7060 1LF7063 | 140 | 10 | 3 | M 25х1,5 | 11 | 11 | 23 | 23 | 4 | 4 | 8,5 | 8,5 | 4 | 4 |
| 1LF707. | 160 | 10 | 3,5 | M 25х1,5 | 14 | 14 | 30 | 30 | 5 | 5 | 11 | 11 | 5 | 5 |
| 1LF708. 1LF7083-4,6 | 200 | 12 | 3,5 | M 25х1,5 | 19 | 19 | 40 | 40 | 6 | 6 | 15,5 | 15,5 | 6 | 6 |
| 1LF709. 1LF7096-2 | 200 | 12 | 3,5 | M 25x1,5 | 24 | 19 | 50 | 40 | 8 | 6 | 20 | 15,5 | 7 | 6 |
| 1LF710. | 250 | 14,5 | 4 | M 32x1,5 | 28 | 28 | 60 | 60 | 8 | 8 | 24 | 24 | 7 | 7 |

Рис. 3 Присоединительные размеры фланца IMB 14 (меньший)
Табл. 4 Присоединительные размеры фланца IMB 14 (меньший)
| Типоразмер | Обозначение фланца | M | N | P | RA | S | T |
|---|---|---|---|---|---|---|---|
| 56 | FT65 | 65 | 50 | 80 | 46 | M5 | 2,5 |
| 63 | FT75 | 75 | 60 | 90 | 14 | M5 | 2,5 |
| 71 | FT85 | 85 | 70 | 105 | 16 | M6 | 2,5 |
| 80 | FT100 | 100 | 80 | 120 | 16 | M6 | 3 |
| 90 | FT115 | 115 | 95 | 140 | 21 | M8 | 3 |

Рис. 4 Присоединительные размеры фланца IMB 14 (больший)
Табл. 5 Присоединительные размеры фланца IMB 14 (больший)
| Типоразмер | Обозначение фланца | M | N | P | RA | S | T |
|---|---|---|---|---|---|---|---|
| 56 | FT85 | 85 | 70 | 105 | 16 | M6 | 2,5 |
| 63 | FT100 | 100 | 80 | 120 | 16 | M6 | 3 |
| 71 | FT115 | 115 | 95 | 140 | 16 | M8 | 3 |
| 80 | FT130 | 130 | 110 | 160 | 22 | M8 | 3,5 |
| 90 | FT130 | 130 | 110 | 160 | 22 | M8 | 3,5 |