Компания
Мехтехника
Тел.: 8 (800) 505-36-88

Цилиндро-червячные двухступенчатые мотор-редукторы PCRV 63/40, PCRV 63/50, PCRV 63/63, PCRV 71/50, PCRV 71/63, PCRV 71/75, PCRV 71/90, PCRV 80/75, PCRV 80/90, PCRV 80/110, PCRV 80/130, PCRV 90/110, PCRV 90/130

Цилиндро-червячные двухступенчатые мотор-редукторы PCRV 63/40, PCRV 63/50, PCRV 63/63, PCRV 71/50, PCRV 71/63, PCRV 71/75, PCRV 71/90, PCRV 80/75, PCRV 80/90, PCRV 80/110, PCRV 80/130, PCRV 90/110, PCRV 90/130

Цилиндро-червячные двухступенчатые мотор-редукторы серии PCRV предназначены для эксплуатации в различных сферах промышленности. Комплектуются электродвигателями мощностью от 0,12 до 1,5 квт кВт с крутящим моментом от 68 до 2150 Нм. Широкий диапазон передаточных чисел от 15:1 до 317:1 позволяет получить обороты на выходе от 3 до 180 об/мин. Потребителю доступны следующие модели: PCRV 63/40 - PCRV 63/50 - PCRV 63/63 - PCRV 71/50 - PCRV 71/63 - PCRV 71/75 - PCRV 71/90 - PCRV 80/75 - PCRV 80/90 - PCRV 80/110 - PCRV 80/130 - PCRV 90/110 - PCRV 90/130.

Цена: от 3 880 руб.

  • Модель: PCRV
  • Размер: 63/40 - 63/50 - 63/63 - 71/50 - 71/63 - 71/75 - 71/90 - 80/75 - 80/90 - 80/110 - 80/130 - 90/110 - 90/130
  • Передаточное число: "i" = 75:1 - 317:1
  • Мощность: 0,12 - 1,5 квт
  • Крутящий момент: 68 - 2150 Нм

Схема типового обозначения

тип

типоразмер

передаточное число

исполнение

электро-двигатель

двухсторонний входной вал

цилиндрический выходной вал

выходной фланец

реактивная штанга

NMRV

030 - 130

5 - 3200

E

SS - односторонний

FL

A

мощность и обороты электро-двигателя

NRV

PCRV

DS - двухсторонний

DRV

Пример типового обозначения

PCRV - 071/075 - 158,5 - 8,8 - 0,25 - FL1 - B3

PCRV - двухступенчатый цилиндро-червячный мотор-редуктор
071/075 - типоразмер цилиндрической ступени 71, червячного редуктора 075
158,5 - передаточное число
8,8 - частота вращения выходного вала (об/мин)
0,25 - мощность электродвигателя
FL1 - исполнение с фланцем
B3 - монтажная позиция

Размеры фланцев цилиндрической ступени

Размеры фланцев цилиндрической ступени PCRV

PC

i

P2

P1

63

3

63B14/71B14

63B5

71

3.17

71B14/80B14

71B5

80

3

80B14/100B14

80B5

90

2.43

80B14/100B14

90B5

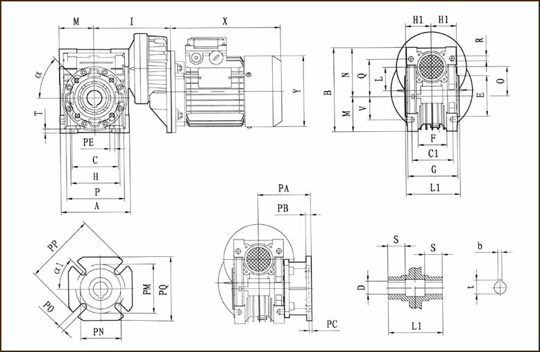
Габаритные и присоединительные размеры PCRV

Габаритные и присоединительные размеры PCRV

PCRV

A

В

С

C1

D(H7)

E(h8)

F

G

H

H1

I

L

L1

M

N

0

P

Q

R

063/040

100

121.5

70

60

18(19)

60

43

71

75

36.5

123

40

78

50

71.5

40

87

55

6.5

063/050

120

144

80

70

25(24)

70

49

85

85

43.5

133

40

92

60

84

50

100

64

8.5

071/050

120

144

80

70

25(24)

70

49

85

85

43.5

143

50

92

60

84

50

100

64

8.5

063/063

144

174

100

85

25(28)

80

67

103

95

53

148

40

112

72

102

63

110

80

8.5

071/063

144

174

100

85

25(28)

80

67

103

95

53

158

50

112

72

102

63

110

80

8.5

071/075

172

205

120

90

28(35)

95

72

112

115

57

176

50

120

86

119

75

140

93

11

080/075

172

205

120

90

28(35)

95

72

112

115

57

186

63

120

86

119

75

140

93

11

071/090

206

238

140

100

35(38)

110

74

130

130

67

193

50

140

103

135

90

160

102

13

080/090

206

238

140

100

35(38)

110

74

130

130

67

203

63

140

103

135

90

160

102

13

080(090)/110

252.5

295

170

115

42

130

-

144

165

74

233

63

155

127.5

167.5

110

200

125

14

080(090)/130

292.5

335

200

120

45

180

-

155

215

81

253

63

170

147.5

187.5

130

250

140

16

PCRV

S

T

V

PA

PB

PC

РЕ

PM

PN

PO

PP

PQ

b

t

?

?1

kg

063/040

26

6.5

35

67

7

4

M6x8(n=4)

75

60

9(n=4)

110

95

6(6)

20.8(21.8)

45°

45°

3.9

063/050

30

7

40

90

9

5

M8x10(n=4)

85

70

11(n=4)

125

110

8(8)

28.3(27.3)

45°

45°

5.2

071/050

30

7

40

90

9

5

M8x10(n=4)

85

70

11(n=4)

125

110

8(8)

28.3(27.3)

45°

45°

5.8

063/063

36

8

50

82

10

6

M8x14(n=8)

150

115

11(n=4)

180

142

8(8)

28.3(31.3)

45°

45°

7.9

071/063

36

8

50

82

10

6

M8x14(n=8)

150

115

11(n=4)

180

142

8(8)

28.3(31.3)

45°

45°

8.5

071/075

40

10

60

111

13

6

M8x14(n=8)

165

130

14(n=4)

200

170

8(10)

31.3(38.3)

45°

45°

11.3

080/075

40

10

60

111

13

6

M8x14(n=8)

165

130

14(n=4)

200

170

8(10)

31.3(38.3)

45°

45°

13.1

071/090

45

11

70

111

13

6

M10x18(n=8)

175

152

14(n=4)

210

200

10(10)

38.3(41.3)

45°

45°

15.3

080/090

45

11

70

111

13

6

M10x18(n=8)

175

152

14(n=4)

210

200

10(10)

38.3(41.3)

45°

45°

17.2

080(090)/110

50

14

85

131

15

6

M10x18(n=8)

230

170

14(n=8)

280

260

12

45.3

45°

45°

39

080(090)/130

60

15

100

140

15

6

M12x21(n=8)

255

180

16(n=8)

320

290

14

48.8

45°

22.5°

52.2

Объём заливаемого масла в червячный редуктор PCRV

RV

030

040

050

063

075

090

110

130

150

B3

0.042

0.081

0.153

0.3

0.58

1.02

3.02

4.55

7

B8

2.25

3.35

5.1

B6,B7

2.55

3.55

5.4

V5,V6

3.02

4.55

7

Объём заливаемого масла в цилиндрическую ступень (л)

PC063

PC071

PC080

PC090

0.18

0.28

0.31

0.31

Мощности подключаемых электродвигателей (кВт)

0,09 - 0,25

0,37 - 0,75

1,1 - 2,2