Редукторные электродвигатели VEM с двухступенчатым редуктором

Редукторный электродвигатель KMR является электромеханическим приводом, который можно применять во всех отраслях промышленности и в производственной деятельности. Прочная конструкция с литыми лапами позволяет редуктору выдерживать большие консольные радиальные нагрузки. Потребителю доступны семь типоразмеров редукторов каждый, из которых выдает частоту вращения в пределах 1,25 – 400 об/мин. Корпус редуктора покрашен специальным лаком, позволяющим применять его в уличных условиях. Редукторная часть заправлена трансмиссионным маслом в соответствии с монтажным исполнением.
Цена: по запросу заказчика
Общее описание:
Конструкция G 110 ZG, KMR

|
Тип |
l10±0.3 |
b10±0.3 |
h10 |
d1 |
d2 |
l11 |
b11 |
h41 |
l13 |
h-0,5 |
h39 |
l31 |
|---|---|---|---|---|---|---|---|---|---|---|---|---|
|
ZG0 |
||||||||||||
|
56K/56G |
|
|
|
|
11k6 |
|
|
|
|
|
|
|
|
ZG1 |
||||||||||||
|
63K/63G |
|
|
|
|
14k6 |
|
|
|
|
|
|
|
|
ZG2 |
||||||||||||
|
71K/71G |
|
|
|
|
19k6 |
|
|
|
|
|
|
|
|
ZG3 |
||||||||||||
|
80K |
|
|
|
|
22k6 |
|
|
|
|
|
|
|
|
ZG4 |
||||||||||||
|
90L |
|
|
|
|
24k6 |
|
|
|
|
|
|
|
|
ZG5 |
||||||||||||
|
100L |
|
|
|
|
28k6 |
|
|
432 |
|
|
|
|
|
ZG6 |
||||||||||||
|
132S |
|
|
|
|
38k6 |
|
|
|
|
|
|
|
|
Тип |
l30 |
l33 |
l1 |
l2 |
d30 |
d10 |
h5 |
d5 |
b1 |
b2 |
d33 |
l34 |
h6 |
l90 |
h31 |
|---|---|---|---|---|---|---|---|---|---|---|---|---|---|---|---|
|
ZG0 |
|||||||||||||||
|
56K/56G |
351 |
377 |
|
23 |
109 |
|
|
|
|
4 |
|
195 |
12,5 |
14 |
195 |
|
ZG1 |
|||||||||||||||
|
63K/63G |
402 |
435 |
|
30 |
124 |
|
|
|
|
5 |
|
227 |
16 |
14 |
216 |
|
ZG2 |
|||||||||||||||
|
71K/71G |
483 |
527 |
|
40 |
139 |
|
|
|
|
6 |
|
261 |
21,5 |
16 |
236 |
|
ZG3 |
|||||||||||||||
|
80K |
571 |
625 |
|
50 |
157 |
|
|
|
|
6 |
16 |
305 |
24,5 |
16 |
271 |
|
ZG4 |
|||||||||||||||
|
90L |
703 |
757 |
|
50 |
177 |
|
|
|
|
8 |
16 |
366 |
27 |
18 |
317 |
|
ZG5 |
|||||||||||||||
|
100L |
829 |
895 |
|
60 |
196 |
|
|
|
|
8 |
16 |
433 |
31 |
20 |
374 |
|
ZG6 |
|||||||||||||||
|
132S |
969 |
1059 |
|
80 |
258 |
|
|
|
|
10 |
21 |
518 |
41 |
35 |
495 |
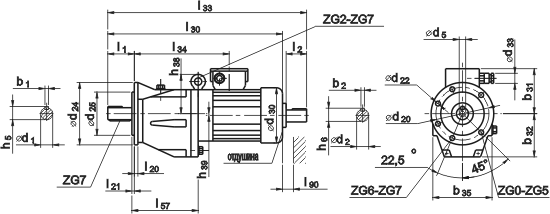
Конструкция G 310 ZG, KMR

|
Тип |
d24 |
d25 |
l21 |
d1 |
d2 |
d20 |
l20 |
d30 |
h38 |
h39 |
b31 |
b32 |
l30 |
l33 |
l1 |
l2 |
d22 |
h5 |
h6 |
|---|---|---|---|---|---|---|---|---|---|---|---|---|---|---|---|---|---|---|---|
|
ZG0 |
|||||||||||||||||||
|
56K/56G |
140 |
95j6 |
9 |
22k6 |
11k6 |
115 |
3 |
109 |
- |
- |
95 |
97 |
351 |
377 |
50 |
23 |
9 |
24,5 |
12,5 |
|
ZG1 |
|||||||||||||||||||
|
63K/63G |
|
|
|
|
14k6 |
|
|
124 |
|
|
104 |
|
402 |
435 |
|
30 |
|
|
16 |
|
ZG2 |
|||||||||||||||||||
|
71K/71G |
|
|
|
|
19k6 |
|
|
139 |
104 |
|
104 |
|
483 |
527 |
|
40 |
|
|
21,5 |
|
ZG3 |
|||||||||||||||||||
|
80K |
|
|
|
|
22k6 |
|
|
157 |
126 |
|
111 |
|
571 |
625 |
|
50 |
|
|
24,5 |
|
ZG4 |
|||||||||||||||||||
|
90L |
|
|
|
|
24k6 |
|
|
177 |
149 |
|
117 |
|
703 |
757 |
|
50 |
|
|
27 |
|
ZG5 |
|||||||||||||||||||
|
100L |
|
|
|
|
28k6 |
|
|
196 |
182 |
|
124 |
|
829 |
895 |
|
60 |
|
|
31 |
|
ZG6 |
|||||||||||||||||||
|
132S |
|
|
|
|
38k6 |
|
|
258 |
|
|
100 |
|
969 |
1059 |
|
80 |
|
|
41 |
|
Тип |
b1 |
b2 |
d5 |
d33 |
l57 |
b35 |
l34 |
l90 |
|---|---|---|---|---|---|---|---|---|
|
ZG0 |
||||||||
|
56K/56G |
|
4 |
|
|
|
|
195 |
14 |
|
ZG1 |
||||||||
|
63K/63G |
|
5 |
|
|
|
|
227 |
14 |
|
ZG2 |
||||||||
|
71K/71G |
|
6 |
|
|
|
|
261 |
16 |
|
ZG3 |
||||||||
|
80K |
|
6 |
|
16 |
|
|
305 |
16 |
|
ZG4 |
||||||||
|
90L |
|
8 |
|
16 |
|
|
366 |
18 |
|
ZG5 |
||||||||
|
100L |
|
8 |
|
16 |
|
|
433 |
20 |
|
ZG6 |
||||||||
|
132S |
|
10 |
|
21 |
|
|
518 |
|
|
Номинальная мощность , кВт |
Номинальное число , об/мин |
Обозначение типа |
Крутящий момент , Нм |
Масса , кг |
|---|---|---|---|---|
|
0,37 |
1,25 |
ZG 6/1 KMR 63 G4 |
2187 |
160 |
|
2,50 |
ZG 5/1 KMR 63 G4 |
1128 |
111 |
|
|
4,00 |
ZG 4/1 KMR 63 G4 |
680 |
66,5 |
|
|
8,00 |
ZG 3/1 KMR 63 G4 |
363 |
46 |
|
|
16 |
ZG 2 KMR 80 К8 |
228 |
28,5 |
|
|
20 |
ZG 2 KMR 71 К6 |
172 |
24,5 |
|
|
31,5 |
ZG 1 KMR 63 G4 |
103 |
15 |
|
|
63 |
ZG 0 KMR 63 G4 |
55,1 |
12,8 |
|
|
0,55 |
4,00 |
ZG 6/2 KMR 71 К4 |
1206 |
169 |
|
8,00 |
ZG 4/1 KMR 71 К4 |
542 |
69,3 |
|
|
12,50 |
ZG 3/1 KMR 71 К4 |
354 |
48,5 |
|
|
16 |
ZG 3 KMR 80 G8 |
328 |
43 |
|
|
20 |
ZG 2 KMR 71 G6 |
255 |
26 |
|
|
31,5 |
ZG 2 KMR 71 К4 |
171 |
24 |
|
|
63 |
ZG 1 KMR 71 К4 |
82 |
17,3 |
|
|
100 |
ZG 0 KMR 71 К4 |
50,4 |
15,6 |
|
|
0,75 |
4,00 |
ZG 6/2 KMR 71 G4 |
1638 |
170 |
|
8,00 |
ZG 4/1 KMR 71 G4 |
739 |
70,4 |
|
|
16 |
ZG 3 KMR 90 L8 |
442 |
48 |
|
|
20 |
ZG 3 KMR 80 К6 |
332 |
41 |
|
|
31,5 |
ZG 2 KMR 71 G4 |
232 |
25,5 |
|
|
63 |
ZG 1 KMR 71 G4 |
112 |
18,9 |
|
|
125 |
ZG 0 KMR 71 G4 |
56,0 |
16,7 |
|
|
1,1 |
8,00 |
ZG 6/2 KMR 80 К4 |
1147 |
174 |
|
12,5 |
ZG 4/1 KMR 80 К4 |
692 |
74 |
|
|
16 |
ZG 4 KMR 100 S8 |
621 |
78 |
|
|
20 |
ZG 3 KMR 80 G6 |
488 |
44 |
|
|
31,5 |
ZG 3 KMR 80 K4 |
322 |
41,5 |
|
|
63 |
ZG 2 KMR 80 K4 |
162 |
29 |
|
|
100 |
ZG 1 KMR 80 K4 |
105 |
22,4 |
|
|
1,5 |
8,00 |
ZG 6/2 KMR 60 G4 |
1549 |
176 |
|
12,50 |
ZG 5/2 KMR 80 G4 |
939 |
127 |
|
|
16 |
ZG 4 KMR 100 L8 |
846 |
83 |
|
|
20 |
ZG 4 KMR 90 L6 |
627 |
74 |
|
|
31,5 |
ZG 3 KMR 80 G4 |
437 |
43 |
|
|
63 |
ZG 2 KMR 80 G4 |
220 |
31,5 |
|
|
125 |
ZG 1 KMR 80 G4 |
114 |
24,9 |
|
|
2,2 |
12,50 |
ZG 5/2 KMR 90 L4 |
1363 |
132 |
|
16 |
ZG 5 KMR 112 M8 |
1245 |
138 |
|
|
20 |
ZG 4 KMR 100 L6 |
919 |
83 |
|
|
31,5 |
ZG 4 KMR 90 L4 |
610 |
73 |
|
|
63 |
ZG 3 KMR 90 L4 |
313 |
47 |
|
|
100 |
ZG 2 KMR 90 L4 |
200 |
37 |
|
|
3,0 |
16 |
ZG 5 KMR 112 M8 |
1707 |
148 |
|
20 |
ZG 5 KMR 112 M6 |
1265 |
138 |
|
|
31,5 |
ZG 4 KMR 100 S4 |
828 |
80 |
|
|
63 |
ZG 3 KMR 100 S4 |
425 |
53 |
|
|
125 |
ZG 2 KMR 100 S4 |
222 |
44,5 |
|
|
4,0 |
16 |
ZG 6 KMR 132 S8 |
2197 |
202 |
|
20 |
ZG 5 KMR 112 M6 |
1687 |
149 |
|
|
31,5 |
ZG 5 KMR 100 L4 |
1118 |
130 |
|
|
63 |
ZG 4 KMR 100 L4 |
559 |
86 |
|
|
100 |
ZG 3 KMR 100 L4 |
373 |
59 |
Пример условного обозначения при заказе:
Редуктор KMR 0,75/40 ZG1 G 110, что означает:
KMR – марка;
0,75 – мощность электродвигателя, кВт;
40 – частота вращения выходного вала, об/мин;
ZG1 – типоразмер;
G110 – монтажное исполнение.