Компания
Мехтехника
Тел.: 8 (800) 505-36-88

Тормозные резисторы для преобразователей частоты

Тормозные резисторы для преобразователей частоты

Применяются для рассеивания энергии, возникающей в случае принудительного торможения. Окружение тормозного резистора может вызывать повышение температуры после продолжительной разрядки. Устанавливайте его, соблюдая достаточное расстояние до устройств, которые нельзя нагревать. Тормозной резистор должен устанавливаться в хорошо вентилируемом месте. В случае отсутствия такой возможности необходимо установить вентилятор для охлаждения. Подбор, установка и использование должны осуществляться квалифицированным персоналом. Определенный тип тормозных резисторов подбирается исходя из особенностей и технических характеристик каждого отдельно взятого вида преобразователя. Но, как правило, тормозные резисторы разрабатываются для широкого применения, что делает их универсальными аксессуарами для ПЧ. Что касается специального спектра применений, то в этом случае тормозные резисторы должны соответствовать узкоспециализированным требованиям.

Цена: от 500 руб.

Мощность: 100 (Вт) ~ 10 (кВт)
Сопротивление: 5 (Ом) ~ 500 (Ом)

Тормозные резисторы для преобразователей частоты

Общее описание

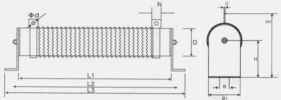
Керамические тормозные резисторы мощностью от 50 до 2500 Вт

Керамические тормозные резисторы мощностью от 50 до 2500 Вт

Мощность, Вт

Размеры, мм

L1(±2)

L2(±5)

L3(±3)

D(±2)

B

B1

H

H1(±3)

N

d

O

50

102

124

146

28

6.5

28

28

61

10

4.5

1.2

60

102

124

146

28

6.5

28

28

61

10

4.5

1.2

80

152

174

196

28

6.5

28

28

61

10

4.5

1.2

100

182

204

226

28

6.5

28

28

61

10

4.5

1.2

120

182

204

226

28

6.5

28

28

61

10

4.5

1.2

150

195

217

239

40

8

40

41

81

12

5.5

2.0

200

195

217

239

40

8

40

41

81

12

5.5

2.0

300

282

304

326

40

8

40

41

81

12

5.5

2.0

400

282

304

326

40

8

40

41

81

12

5.5

2.0

500

316

338

360

50

8

50

45

101

16

6

2.0

600

345

367

389

60

8

40

41

119

12

5.5

2.0

750

316

338

360

60

8

50

45

119

16

6

2.0

1000

300

325

350

70

8.5

60

60

130

16

6

2.0

1200

415

440

465

70

8.5

60

60

130

16

6

2.0

1500

415

440

465

70

8.5

60

60

130

16

6

2.0

2000

510

535

560

70

8.5

60

60

130

16

6

2.0

2500

600

625

650

70

8.5

60

60

130

16

6

2.0

Алюминиевые тормозные резисторы мощностью от 40 до 500 Вт

 Алюминиевые тормозные резисторы мощностью от 40 до 500 Вт

Мощность резистора, Вт

Габаритные размеры, мм

Вес, г

40

80*40*20

68

60

115*40*20

103

80

140*40*20

128

100

165*40*20

153

120

184*40*20

170

150

215*40*20

200

200

167*60*30

157

300

215*60*30

205

400

268*60*30

258

500

335*60*30

325

Резисторные сборки мощностью от 1 до 20 кВт

 Резисторные сборки мощностью от 1 до 20 кВт

Тип

Мощность, кВт

Вес, кг

BRU

1-3

4

5-10

6

15-20

10

Резисторные сборки мощностью от 20 до 200 кВт

 Резисторные сборки мощностью от 20 до 200 кВт

Тип

Мощность, кВт

Крепления

Вес, кг

Сечения провода, мм2

Комбинации

PRU

20

M10

20

10

8*2.5

40

M10

40

16

16*2.5

60

M10

60

25

24*2.5

100(80)

M12(M10)

100(80)

50(36)

32*3(32*2.5)

200

M12

200

120

64*3