Компания
Мехтехника
Тел.: 8 (800) 505-36-88

Тяговые пластинчатые цепи

Тяговые пластинчатые цепи

Цепь тяговая пластинчатая относится к оборудованию, которое находит свое эффективное и рентабельное применение в различных областях промышленности. При проблеме выбора определенной модификации, всегда можно обратиться за консультацией к нашим специалистам. Используются цепи данного класса в элеваторных, конвейерных и других механизмах. В качестве дополнительного элемента на цепи может быть монтировано приспособление для фиксации ковшей, металлических или пластиковых скребков и др. Исполнение может быть как разборным, так и неразборным. Первый или второй вариант выбирается исходя из условий эксплуатации оборудования и определенных требований заказчика, выдвигаемых к цепям.

Цена: от 820 руб. за 1 п.м.

Пример условного обозначения при заказе

Цепь М112-2-100-1 ГОСТ 588 - 81, что означает:

  • М - тяговая пластинчатая цепь;
  • 112 - разрушающая нагрузка , кН;
  • 2 - тип;
  • 100 - шаг, мм;
  • 1 - исполнение.

Общее описание

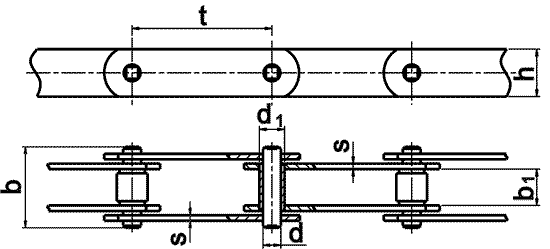
Исполнение тяговых пластинчатых цепей (тип 1, исполнение 1)

РИС. 1
Исполнение тяговых пластинчатых цепей (тип 1, исполнение 1)

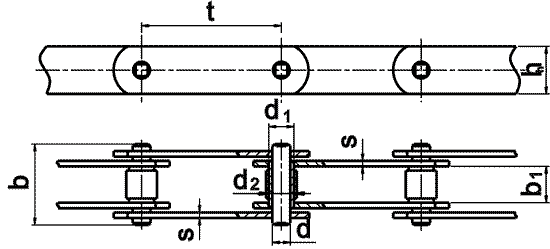
Исполнение тяговых пластинчатых цепей (тип 2, исполнение 2)

РИС. 2
Исполнение тяговых пластинчатых цепей (тип 2, исполнение 2)

Номер цепи

Диаметр

b1,
не более

h,
не более

s

b,
не более

t*,
шаг цепи

Разрушающая
нагрузка, кН,
не менее

d

d1

d2

М20

6,0

9,0

12,5

15

18

2,5

35

40**- 160

20

М28

7,0

10,0

15,0

17

20

3,0

40

50**- 200

28

М40

8,5

12,5

18,0

19

25

3,5

45

63 - 250

40

М56

10,0

15,0

21,0

23

30

4,0

52

63**- 250

56

М80

12,0

18,0

25,0

27

35

5,0

62

80 - 315

80

М112

15,0

21,0

30,0

31

40

6,0

73

80**- 400

112

М160

18,0

25,0

36,0

36

45

7,0

85

100** - 500

160

М224

21,0

30,0

42,0

42

56

8,0

98

125** - 630

224

М315

25,0

36,0

50,0

47

60

10,0

112

160**- 630

315

М450

30,0

42,0

60,0

5

70

12,0

135

200 - 800

450

М630

36,0

50,0

70,0

65

85

14,0

154

250 - 1000

630

М900

44,0

60,0

85,0

76

105

16,0

180

250**- 1000

900

М1250

50,0

71,0

100,0

90

120

20,0

230

315**- 1000

1250

М1800

60,0

85,0

118,0

110

150

22,0

260

400 - 1000

1800

* Шаг выбирается из ряда : 40 , 50 , 63 , 80 , 100 , 125 , 160 , 200 , 250 , 315 , 400 , 500 , 630 , 800 , 1000 мм .
** Применение шагов , отмеченных ** для катковых цепей не допускается.